Hybrid Hydraulic System "Oil Con AKZ 9 Series"
Adopts refrigerant R410A! High precision, energy-saving, compact, and environmentally friendly inverter oil compressor.
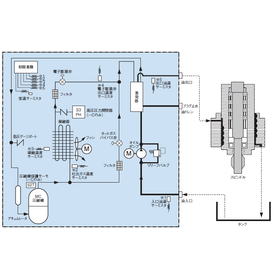
The "Oil Compressor AKZ 9 Series" is a hydraulic system that improves the capacity resolution in low load areas through optimal control of the compressor, inverter, and electronic expansion valve. By adopting a unique IPM motor and high COP characteristics of R410A, it achieves a high energy-saving rate. It complies with RoHS directives, including the use of lead-free solder in printed circuit boards. Using Hybrid-Win, room temperature, inlet and outlet oil temperatures, and other internal data can be monitored on a computer, making it easier to grasp the operating status through bulk data display. 【Features】 ■ Further evolution of high-precision temperature control ■ Expansion of cooling capacity control range ■ RoHS compliant ■ Industry-leading compact design ■ Achieves high energy-saving rates *For more details, please refer to the PDF materials or feel free to contact us.
basic information
【Other Features】 ■ Achieves low noise in low load areas ■ Increased durability for harsh factory environments such as mist and dust ■ Enhanced durability for long-distance transportation ■ Quick delivery options with five types of additional machines in addition to the standard ■ Easy monitoring of operating conditions ■ Improved workability and maintainability *For more details, please refer to the PDF document or feel free to contact us.
Price range
Delivery Time
Applications/Examples of results
【Applications】 ■Machine tools: Machining centers, NC lathes, grinding machines, dedicated NC machines, NC electrical discharge machines, etc. ■Industrial machinery: Molding machines, presses, etc. *For more details, please refer to the PDF document or feel free to contact us.
Related Videos
catalog(1)
Download All CatalogsRecommended products
Distributors
Since our establishment in 1947, we have been developing flexible and detailed solution services centered around our four core business divisions (hydraulics, air conditioning, machinery, and trade) to provide proposals tailored to each customer's workplace environment. We will coordinate and propose environmentally friendly machinery and system units that achieve high functionality and energy efficiency, customized to meet each customer's needs. With the know-how we have cultivated over the years, we will strongly support your business.























