省スペース形油圧シリンダ『160S-1』
圧力16MPaで1000万回の使用が可能!鉄系材料のボディーを使用した薄形油圧シリンダ
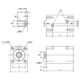
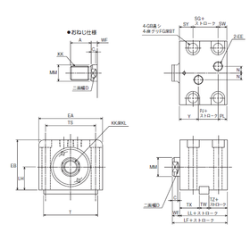
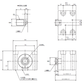
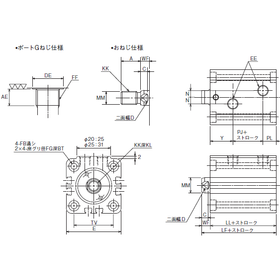
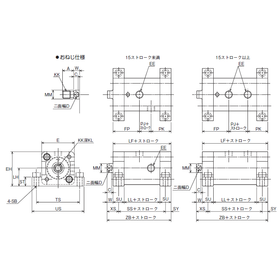
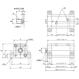
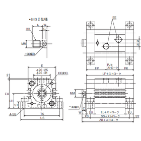
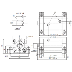
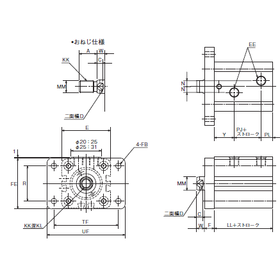
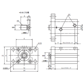
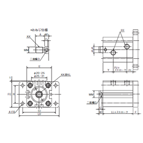
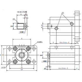
当社で取り扱っている『160S-1』は、鉄系材料のボディーを使用した 16MPa用薄形油圧シリンダです。 パッキン材質は、耐摩耗性のよい水素化ニトリルゴムを標準採用しており、 標準形は、周囲温度120℃まで使用可能。 油圧シリンダで重要な軸受部には特殊銅合金を採用し、スイッチの取付は スライド方式で任意の位置設定が可能です。 【特長】 ■圧力16MPaで、1000万回の使用が可能 ■パッキン材質は、耐摩耗性のよい水素化ニトリルゴムを標準採用 ■標準形は、周囲温度120℃まで使用可能 ■油圧シリンダで重要な軸受部には特殊銅合金を採用 ■スイッチの取付はスライド方式で任意の位置設定が可能 ■ヘッド側クッション付も対応可能 ※詳しくはPDFをダウンロードしていただくか、お気軽にお問い合わせください。
基本情報
【標準仕様(一部)】 ■呼び圧力:16MPa ■最高許容圧力:16MPa ■耐圧力:24MPa ■最低作動圧力:0.3MPa ■使用速度範囲:8~100mm/s ■クッション機構:なし ※詳しくはPDFをダウンロードしていただくか、お気軽にお問い合わせください。
価格帯
納期
用途/実績例
※詳しくはPDFをダウンロードしていただくか、お気軽にお問い合わせください。
カタログ(1)
カタログをまとめてダウンロードおすすめ製品
取り扱い会社
当社は、1947年の創業以来、FA機器・動力伝導要品の総合商社として、一歩一歩実績を積み重ねて参りました。これは偏に皆様方のご支援の賜と深く感謝致しております。 ハイテク機械産業において、さらなる自動化・省力化・IT化など技術的要求は日々、高度化・多様化しています。このような状況の下、時代が求める工業要品をスピーディに調達し、供給責任を全うすることで世界のモノづくりに貢献することが、当社の使命と考えています。 これからも奉仕と誠実をモットーに、お客様のご期待・ご要望にお応えできる高付加価値なサービス提供に努めて参ります。何卒、今後ともご愛顧のほど、心からお願い申し上げます。



































































