油圧ねじシリンダ『210N-1』
ワークホールド、クランプ用に適切!総ねじタイプの21MPa用油圧シリンダをご紹介
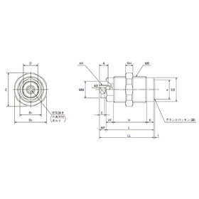
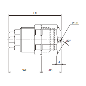
油圧ねじシリンダ『210N-1』は、本体外周にねじ切りを施してある 製品です。 治具取付のために、ロッド先端部にめねじ加工を施しています。 確実なクランプ力を得るため、空気抜き機構を標準装備しております。 ご用命の際はお気軽にご連絡ください。 【特長】 ■総ねじタイプの21MPa用油圧シリンダ ■本体外周にねじ切りを施工 ■治具取付のために、ロッド先端部にめねじ加工を施工 ■確実なクランプ力を得るため、空気抜き機構を標準装備 ※詳しくはPDFをダウンロードしていただくか、お気軽にお問い合わせください。
基本情報
【標準仕様(一部)】 ■シリンダ内径:φ12・φ20・φ32mm ■呼び圧力:21MPa ■最高許容圧力:25MPa ■耐圧力:31.5MPa ■最低作動圧力:0.5MPa ■クッション機構:なし ※詳しくはPDFをダウンロードしていただくか、お気軽にお問い合わせください。
価格帯
納期
用途/実績例
【用途】 ■ワークホールド、クランプ ※詳しくはPDFをダウンロードしていただくか、お気軽にお問い合わせください。
カタログ(1)
カタログをまとめてダウンロードおすすめ製品
取り扱い会社
当社は、1947年の創業以来、FA機器・動力伝導要品の総合商社として、一歩一歩実績を積み重ねて参りました。これは偏に皆様方のご支援の賜と深く感謝致しております。 ハイテク機械産業において、さらなる自動化・省力化・IT化など技術的要求は日々、高度化・多様化しています。このような状況の下、時代が求める工業要品をスピーディに調達し、供給責任を全うすることで世界のモノづくりに貢献することが、当社の使命と考えています。 これからも奉仕と誠実をモットーに、お客様のご期待・ご要望にお応えできる高付加価値なサービス提供に努めて参ります。何卒、今後ともご愛顧のほど、心からお願い申し上げます。






















































