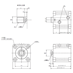
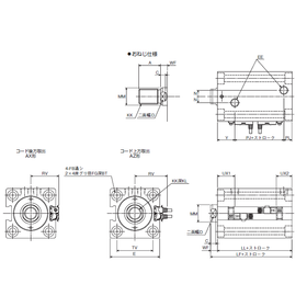
省スペース形油圧シリンダ『210S-1』
業界最小水準の外形寸法の21MPa用薄形油圧シリンダ!磁気近接スイッチを搭載
当社で取り扱っている『210S-1』は、疲労試験・耐圧試験を行い、 十分な強度確認をしている省スペース形油圧シリンダです。 標準搭載スイッチはメンテナンス性に優れたAX, AZ形を採用しており、 スイッチの選択によりスイッチセットは耐熱100℃まで使用可能です。 取り付け穴ピッチは100S-1シリーズ、160S-1シリーズと完全互換です (ストローク方向長さは異なります)。 【特長】 ■業界最小水準の外形寸法の21MPa用薄形油圧シリンダ ■標準搭載スイッチはメンテナンス性に優れたAX, AZ形を採用 ■スイッチの選択によりスイッチセットは耐熱100℃まで使用可能 ■取り付け穴ピッチは100S-1シリーズ、160S-1シリーズと完全互換 ※詳しくはPDFをダウンロードしていただくか、お気軽にお問い合わせください。
基本情報
【標準仕様(一部)】 ■呼び圧力:21MPa ■最高許容圧力:21MPa ■耐圧力:31.5MPa ■最低作動圧力:0.3MPa ■使用速度範囲:8~100mm/s ■クッション機構:なし ※詳しくはPDFをダウンロードしていただくか、お気軽にお問い合わせください。
価格帯
納期
用途/実績例
※詳しくはPDFをダウンロードしていただくか、お気軽にお問い合わせください。
カタログ(1)
カタログをまとめてダウンロードおすすめ製品
取り扱い会社
当社は、1947年の創業以来、FA機器・動力伝導要品の総合商社として、一歩一歩実績を積み重ねて参りました。これは偏に皆様方のご支援の賜と深く感謝致しております。 ハイテク機械産業において、さらなる自動化・省力化・IT化など技術的要求は日々、高度化・多様化しています。このような状況の下、時代が求める工業要品をスピーディに調達し、供給責任を全うすることで世界のモノづくりに貢献することが、当社の使命と考えています。 これからも奉仕と誠実をモットーに、お客様のご期待・ご要望にお応えできる高付加価値なサービス提供に努めて参ります。何卒、今後ともご愛顧のほど、心からお願い申し上げます。





















































