難環境を突破する、 EMIシールド・防水性能。 船用電線貫通金物
低抵抗5mΩ以下、高応答60dB以上の確かなシールド効果
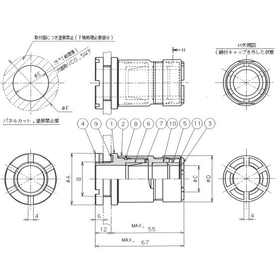
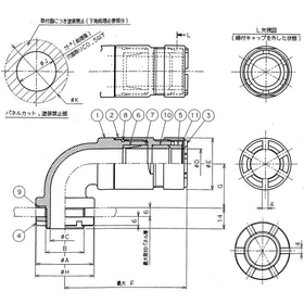
1.EMIグランドは、防水構造とシールド線の設置機能を合わせもった構造であって、主な金属材料は、耐食性アルミ合金に導電性防食表面 処理を施したものです。 2.EMIグランドの取付方法は、箱体にナット締めをする方式です。 3.防水用ガスケットは、各呼び寸法毎に1サイズのみで、電線貫通金物CGCのように、接続ケーブルの種類及びサイズによって座金及びガスケットのサイズ(a,b,c)を選択する必要ございません。 JIS規格F8801に基づいて製作されております。
基本情報
■性能 1.箱体とEMIグランド間の直流抵抗・・・5mΩ以下 2.表面伝導インピーダンス・・・700mΩ/m以下 3.EMIレスポンス・・・60dB以上 4.保護形式・・・IP66 ただし、液体に対する保護等級は0.1MPa以下(1kgf/cm2)
価格帯
納期
用途/実績例
電気機器・制御盤へのケーブル引き込み 防水・防塵性の確保 電磁波ノイズ対策(EMIシールド)の確保
カタログ(1)
カタログをまとめてダウンロードおすすめ製品
取り扱い会社
株式会社ハギテック」は各種チューブのパイオニアです。 ステンレス・アルミ・チタン・銅・真鍮・鉄・ゴム・プラスチック等あらゆる材質のチューブを取り扱っております。 「こんなチューブできない?」「こんな事で困ってるんだけど・・・」等ご相談があればまずご一報下さい。 当社はホームページを通じ、常に「新しい商品」「使い易い商品」「便利な商品」等時代のニーズにあった商品をタイムリーに供給し続け、 世の中の役に立つ会社になることを目標としております。




















































