【ロボット向け】フォースセンサ『HFD-500S』
微小荷重を高感度・高精度で検出。ロボットの把持力を最適化。
ロボット業界では、精密な部品の取り扱いにおいて、把持力の正確な制御が求められます。特に、デリケートな製品を扱う場合、過度な力による破損や、弱すぎる力による落下のリスクがあります。フォースセンサ『HFD-500S』は、1N以下の微小荷重を高精度で検出することで、ロボットの把持力を最適化し、これらの課題を解決します。 【活用シーン】 ・精密部品の組み立て ・食品のピッキング ・医療用ロボット 【導入の効果】 ・製品の破損防止 ・作業効率の向上 ・不良品の削減
基本情報
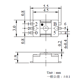
【特長】 ・小型・低背 外形寸法5.5×3.0×1.9mm ・微小荷重を高感度、高精度で検出可能 ・高耐久性、寿命100万回以上 【当社の強み】 北陸電気工業株式会社は、創業以来、センサ技術を核に、お客様のニーズに応える製品開発を行ってきました。フォースセンサ『HFD-500S』は、長年培ったMEMS技術を駆使し、高精度な荷重検出を実現します。ご要望の際はお気軽にお問い合わせください。
価格帯
納期
用途/実績例
※詳しくはPDFをダウンロードしていただくか、お気軽にお問い合わせください。
カタログ(3)
カタログをまとめてダウンロードおすすめ製品
取り扱い会社
北陸電気工業株式会社では、創業以来抵抗器をはじめとして、機構部品、 回路基板、センサ、圧電部品、モジュール製品を開発、供給しています。 新技術の創出と新製品開発に、今後もより一層注力してまいりますので、 ご要望の際はお気軽にお問い合わせください。




