【ゲーム向け】フォースセンサ『HFD-500S』
ゲームの操作性を革新!微小荷重を高精度に検出
ゲーム業界において、プレイヤーの操作感はゲームの面白さを大きく左右する重要な要素です。特に、繊細な操作が求められるゲームでは、ボタンの押し込み具合やスティックの傾きといった微小な力の変化を正確に捉えることが、没入感を高めるために不可欠です。従来のセンサーでは検知しきれなかった微小な荷重を、当社のフォースセンサ『HFD-500S』が高精度に検出することで、より直感的で自然な操作性を実現します。 【活用シーン】 ・ゲームコントローラーのボタン ・ゲーム機のタッチパッド ・VR/ARデバイスの入力インターフェース 【導入の効果】 ・プレイヤーの操作に対する高い追従性 ・繊細な操作表現の実現 ・ゲームプレイの没入感向上
基本情報
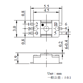
【特長】 ・小型・低背 外形寸法5.5×3.0×1.9mm ・微小荷重を高感度、高精度で検出可能 ・高耐久性、寿命100万回以上 【当社の強み】 北陸電気工業株式会社は、創業以来、抵抗器をはじめ、機構部品、回路基板、センサ、圧電部品、モジュール製品を開発・供給しています。お客様のニーズに応じた製品開発に注力し、最適なソリューションを提供します。
価格帯
納期
用途/実績例
※詳しくはPDFをダウンロードしていただくか、お気軽にお問い合わせください。
カタログ(3)
カタログをまとめてダウンロードおすすめ製品
取り扱い会社
北陸電気工業株式会社では、創業以来抵抗器をはじめとして、機構部品、 回路基板、センサ、圧電部品、モジュール製品を開発、供給しています。 新技術の創出と新製品開発に、今後もより一層注力してまいりますので、 ご要望の際はお気軽にお問い合わせください。




