ニュース一覧
最新のニュース

容器厚み非破壊測定器/品番 M4271MT-FH24Eを発売
最大24mmの肉厚を測定できるポータブル測定機器です。 人間工学に基づいた筐体形状と簡単な操作性により、生産現場や品質管理ラボにおける理想的な測定ツールとなります。 非鉄材料の最大24mmまでの厚さが測定可能で、ガラスやプラスチック製のボトルや容器など、あらゆる包装材に対応。
2401~2430 件を表示 / 全 3441 件
-

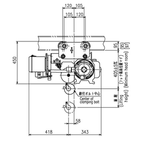
超低床電動油圧テーブルリフト250Kg 品番 M1144RFLB-250-0509H 発売開始
超低床式の中でも最も低い商品です。 積載荷重;250~1000kg ■特長 ●超低床 ●油圧シリンダー ●ユニット別置き ●3相200V電源(モーター:15分定格) ●過負荷防止装置 ●PCフローコントロール ●フットスイッチ コード2m ●最大使用頻度:15回/時 ●高圧ホース:2m ●電源コード:4m
-

大型キャスターナイロン製ダストカート126L/品番 M715LB-0400M 発売開始
容量100Lオーバーでいろいろ運べます。 中型屑入、カート、ナイロン製、屋内用、内容量:126L ●雑品、洗濯物の運搬、ゴミの廃棄運搬に効果を発揮する、防水加工された袋タイプです。 ●台車タイプですので運搬作業がスムーズにおこなえます。 ●(リニューアル)交換用のスペア袋(M715LB-0470M)を追加しました。
-

冷蔵庫冷凍庫用低温温湿度センサー/ 品番 M906EJ-010AW 発売開始
冷蔵庫冷凍庫用低温温湿度センサー ■動作モード 本製品は使用しない時の電池消耗を抑えるため、「送信状態」を切り替えるモードを内臓しております。 輸送時や本製品を使用されない場合は「停止状態」に切り替えてから保管をお願いします。 ・「停止状態」→「送信状態」への切り替え マグネット検出部にマグネットを近接させることをON、離すことをOFFとして下記の方法で切り替えを行います。 ON5秒(Teach-in送信)→OFF1秒以上10秒未満→ON5秒(Teach-in送信及び出力送信)
-

水ボトル6本運搬用電動階段台車(補助輪アタッチメント付き)/品番 M3104PSC-BWA5281X-GSP 発売開始
M3104PSC-BWA5281X-GSPは、M3104PSC-170KGに水ボトル運搬アタッチメントと平地走行補助輪アタッチメントをセットにした電動階段台車です。 最大 6 個の水ボトルを搭載できるように設計されております。
-

電動階段台車用走行補助輪アタッチメント/品番 M3104AT-4AWAX 発売開始
M3104AT-4AWAX電動階段台車用走行補助輪アタッチメントは、階段昇降機用に設計されており、長距離を移動するための地上サポートを提供します。
-

葉物野菜用三角袋 プラマーク入り(280/120×290mm)/品番 M1563DB-PP200200S 発売開始
優れた鮮度保持性でいつまでも生き生きフレッシュ! 防曇効果が優れているため、袋の中の水分が水滴にならず薄い水膜になるので、内容物を腐敗からまもり、鮮度の保持性が良くなります。
-

リフト付き電動作業台車(H1500mm)/ 品番 MC4FB-H1500S12E 発売開始
棚下作業・リフト作業・運搬作業1台3役のすぐれ者 乗り降りしやすいようにメーカー従来品より256mm足場を低くしました。 走行中誤ってアクセルレバーを強く握ってしまった場合、警告音が鳴り緊急停止機能が働きます。 USBソケット標準装備です。スマートホンの充電・ヘッドライト照明等使い方は色々。
-

中量3段ワゴン静音キャスター仕様(600×400×746)グリーン/品番 M350PW-6073DSES-GR 発売開始
■特長 ●均等耐荷重150kg ●1.6mmの肉厚パイプを採用。荷重をしっかり支えます。
-

鉄系自立反応型万能タイプ脱酸素剤(30×30mm/15ml)/品番 M2401SC-FW15E 発売開始
鉄粉の酸化反応により、包装容器内の酸素を完全に吸収し、食品の賞味期限を大幅に伸ばすことができます。 カビ発生防止、変色防止、油性酸化防止および香り、風味の保持に役立ちます。 M2401SC-FW15Eシリーズは、耐水・耐油の速効~一般タイプです。
-

ヒーター内蔵風向風速センサー/品番 M761TS-CSUS5031S3S 発売開始
■特長 ●コンパクトな超音波風向風速センサーです。 ●ヒーターが内蔵のセンサーは農業気象、防災気象、各種モニタリングシステム用のセンサーとしてご使用いただけます。 ●データの出力インターフェースはデジタルRS485/422、プロトコルはMODBUS RTU、アナログ電圧0~10Vが標準仕様となっています。
-

ヒーター内蔵複合気象センサー(降雨量・降雨強度・風向風速・照度・温湿度)/品番 M761TS-CSUS5031S2S 発売開始
●コンパクトでオールインワン型のウェザステーションセンサです。 ●センサーにはヒーターが内蔵されています。 ●農業気象、防災気象、各種モニタリングシステム用のセンサーとしてご使用いただけます。 ●計測項目は超音波風向風速、ドップラー雨量/降雨強度計、照度計を内蔵しています。 ●データの出力インターフェースはデジタルRS485/422、プロトコルはMODBUS RTU、アナログ電圧0~10Vが標準仕様となっています。
-

食品向けペール缶・一斗缶用給油コック 缶口金φ40用オール樹脂製/品番 M1315WC-40PFM 発売開始
ワンタッチ給油栓 ペール缶・一斗缶がそのまま給油タンクに 汚れず、こぼれず、ムダがない。 食品向け、缶口金:φ40用 オールPP樹脂製(ポリオレフィン等合成樹脂製食品容器包装等に関する自主基準対応) パッキン NBR(食品衛生法 食品・添加物等の規格基準品)
-

食品向けペール缶・一斗缶用給油コック 缶口金φ40用オールSUS製/品番 M1315WC-40SUS-FM 発売開始
ワンタッチ給油栓 ペール缶・一斗缶がそのまま給油タンクに 汚れず、こぼれず、ムダがない。 食品向け、缶口金:φ40用 注ぎ口:PP樹脂(ポリオレフィン等合成樹脂製食品容器包装等に関する自主基準対応) パッキン:NBR(食品衛生法 食品・添加物等の規格基準品) バルブ・取付部:ステンレス製
-

リフト付き電動作業台車(H1500mm)/ 品番 MC4FB-H1500S12E 発売開始
棚下作業・リフト作業・運搬作業1台3役のすぐれ者 乗り降りしやすいようにメーカー従来品より256mm足場を低くしました。 走行中誤ってアクセルレバーを強く握ってしまった場合、警告音が鳴り緊急停止機能が働きます。 USBソケット標準装備です。スマートホンの充電・ヘッドライト照明等使い方は色々。
-

リフト付き電動作業台車(H1500mm)/ 品番 MC4FB-H1500S12E 発売開始
棚下作業・リフト作業・運搬作業1台3役のすぐれ者 乗り降りしやすいようにメーカー従来品より256mm足場を低くしました。 走行中誤ってアクセルレバーを強く握ってしまった場合、警告音が鳴り緊急停止機能が働きます。 USBソケット標準装備です。スマートホンの充電・ヘッドライト照明等使い方は色々。
-

中量2段ワゴン静音キャスター仕様(600×400×606)グリーン/品番 M350PW-6062DSES-GR 発売開始
■特長 ●均等耐荷重150kg ●1.6mmの肉厚パイプを採用。荷重をしっかり支えます。
-

半自動シュリンク包装機/品番 ME4EPT-6151EVN 発売開始
■特長 ●シールした商品は自動的にシュリンクトンネルへ搬送します。 ●シュリンクトンネルのワークセンター調整が容易です。 ●一体型の為、ハンドリングが容易です。 ●製品高さ~150mmまで包装可能です。
-

超強力手動超音波カッターセット/品番 M863H-3510SET1 発売開始
●超強力手動超音波カッターセット/品番 M863H-3510SET1 ●力のかかる切断に対しても強力で安定した振動を発生させ、長時間使用にも耐える形状設計です。
-

手動超音波カッターセット/品番 M863F-102SET 発売開始
グリップには滑りにくいローレット加工。 超硬刃の使用が可能です。 今までカッターナイフで行っていたカーボンプリプレグの切断作業に超音波の力を付加し、作業者の負担を減らします。
-

クリーンルーム対応Zone22防爆型掃除機 品番 M2727EX-10SS-U110540BV 発売開始
■フィルター ●ULPA フィルターU15 0.12 ミクロンの粒子に対して 99.999%の粒子捕集率(検査済み: IEST RP- CC001.3.U15 by MPPS method as per EN 1822) ●HEPA フィルター HEPA フィルターは、空気が掃除機の中に入るとき、あるいは外に出るときにろ過するもので、少なくとも 99.97%の ダスト、花粉、カビ、バクテリア、その他、空気中の 0.3 ミクロン以上の粒子を取り除くことができます。
-

樹脂製静音自在キャスター(φ100) 品番 M623P-CO100K 発売開始
環境基準40dB(デシベル)適合商品。 ●静音化 ●押して軽い ●旋回抵抗が軽い。 ●自重が軽い。
-

事務用チェア/品番 M536BCL-17LZBK 発売開始
■特長 ●スタンダードタイプの製図用チェアです。 ●あらゆる作業現場に
-

背もたれ付き導電チェア(ブラック)/品番 M536EC-LE17LZN-BK 発売開始
■特長 ●ステンレスフレーク使用のウレタン巻双輪キャスターにより、優れた導電性を発揮します。 ●電気を嫌う精密機器の工場等に最適です。 ●導電双輪キャスター、ガス上下調節
-

ハンディー冷暖スポットエアコン 品番 M1076SP-15HN 発売開始
環境設備 スポットエアコン 現在メンテナンス中のためこちらのフォームからご依頼ください。
-

事務所施設用大容量気化式加湿機(自動吸水)/品番 MC35E-353S 発売開始
自動給排水で手間いらず 1年中使える加湿機
-

鉄系自立反応型速攻タイプ脱酸素剤(30×30mm/15ml)/品番 M2401SC-FWS15E 発売開始
■特 性 鉄粉の酸化反応により、包装容器内の酸素を完全に吸収し、食品の賞味期限を大幅に伸ばすことができます。 カビ発生防止、変色防止、油性酸化防止および香り、風味の保持に役立ちます。 商品の種類や大きさに応じて様々なタイプをご利用いただけます。 食品の保存方法として、設備や流通コスト面でも効果的です。
-

鉄系自立反応型脱酸素剤 酸素検知剤一体タイプ(30×25mm/20ml)/品番 M2401SC-FWC20SE 発売開始
■特 性 鉄粉の酸化反応により、包装容器内の酸素を完全に吸収し、食品の賞味期限を大幅に伸ばすことができます。 カビ発生防止、変色防止、油性酸化防止および香り、風味の保持に役立ちます。 商品の種類や大きさに応じて様々なタイプをご利用いただけます。 食品の保存方法として、設備や流通コスト面でも効果的です。
-

鉄系自力反対型冷凍・冷蔵用脱酸素剤(40×40mm/20ml)/品番 M2401SC-FWR20E 発売開始
■特 性 鉄粉の酸化反応により、包装容器内の酸素を完全に吸収し、食品の賞味期限を大幅に伸ばすことができます。 カビ発生防止、変色防止、油性酸化防止および香り、風味の保持に役立ちます。 商品の種類や大きさに応じて様々なタイプをご利用いただけます。 食品の保存方法として、設備や流通コスト面でも効果的です。
-

非鉄系自力反応型脱酸素剤 炭酸ガス同時発生(40×35mm/20ml)/品番 M2401SC-GA20E 発売開始
■特 性 非鉄系自力反応型 空気に触れるだけで酸素吸収を始めます 鉄粉を使用していないため 金属探知機による異物検査が可能です。 適正な包装形態: 自力反応型なので、包装形態はあまり問題になりません。
-

検針機ベルトコンベア式/ 品番 MC29SA-7011S-120H 発売開始
コンベア式検針機(磁気誘導方式)、外来ノイズ対策強化モデル。 ■特長 メーカー独自の技術により、外来ノイズ影響が劇的に低減しました ●ツインヘッド型について(型式W) 針の方向により信号値が異なるため、シングルヘッド型の検針機では 90 度方向を変えての検針を推奨します。