耐振型ロードボタンタイプロードセル『VLC-H400シリーズ』
定格出力は2mV/V±0.5%!ロボットケーブル5m標準で、絶縁抵抗1000MΩ以上(DC 50V)のロードセル
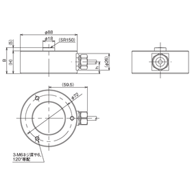
当社が取り扱うロードセル『VLC-H400シリーズ』をご紹介します。 当製品は耐振型のロードボタンタイプで、ロボットケーブル5m標準です。 材質は、SUS630(本体部のみ)で、許容温度範囲は-15~75℃と なっています。ご用命の際は、お気軽にお問い合わせください。 【仕様(一部)】 ■定格出力:2mV/V±0.5% ■非直線性:±0.1%R.C. ■ヒステリシス:±0.1%R.C. ■繰り返し性:±0.05%R.C. ■零バランス:±3%R.O. ■零点の温度影響:±0.05%R.C./10℃ ※詳しくはPDF資料をご覧いただくか、お気軽にお問い合わせ下さい。
基本情報
【ラインアップ】 ■VLC-50KNH400 ■VLC-100KNH400 ※詳しくはPDF資料をご覧いただくか、お気軽にお問い合わせ下さい。
価格帯
納期
用途/実績例
※詳しくはPDF資料をご覧いただくか、お気軽にお問い合わせ下さい。
カタログ(1)
カタログをまとめてダウンロードおすすめ製品
取り扱い会社
温度・温湿度・圧力を主に、計測器の販売/御提案をしております。 製造/研究/品質管理等で起こる問題の解決にも御協力致します。 各種計測のご相談にも対応致しますのでお気軽に御相談下さい。 安全対策として耐熱防災作業服・耐熱切創作業服も取り扱っております。 取扱い製品・取扱いメーカーは下の「事業内容」に記載しております。










































