高真空用アンプ内蔵圧力センサ『VCCPシリーズ』
最大許容圧は400kPa!当社が取り扱う高真空用の圧力センサをご紹介
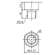
『VCCPシリーズ』は、真空域の測定ができるアンプ内蔵圧力センサです。 校正レンジは1500Pa(abs)・5kPa(abs)・10kPa(abs)から選択可能。 最大許容圧は400kPaで、材質は接続ネジ部がSUS316L、受感部が アルミナセラミック、ケースがSUS304となっています。 【測定概要】 ■測定媒体:水・油・ガスなどセラミック+SUS316L+Oリングを腐食させない流体 ■測定種類:絶対圧の測定が可能 ■測定範囲:校正レンジは1500Pa(abs)・5kPa(abs)・10kPa(abs)から選択可能 ■出力種類:4~20mA(4線式)、1~5Vから指定可能 ※詳しくはPDF資料をご覧いただくか、お気軽にお問い合わせ下さい。
基本情報
【仕様(一部)】 ■非直線性:±0.8%F.S.以下 ■ヒステリシス:±0.8%F.S.以下 ■使用温度:0~70℃(結露、氷結不可) ■零点の温度影響:±0.5%F.S./±10℃以下 ■出力の温度影響:±0.5%F.S./±10℃以下 ■接続ネジ部材質:SUS316L ■受感部材質:アルミナセラミック ※詳しくはPDF資料をご覧いただくか、お気軽にお問い合わせ下さい。
価格帯
納期
用途/実績例
【用途】 ■真空域の測定 ※詳しくはPDF資料をご覧いただくか、お気軽にお問い合わせ下さい。
カタログ(1)
カタログをまとめてダウンロードおすすめ製品
取り扱い会社
温度・温湿度・圧力を主に、計測器の販売/御提案をしております。 製造/研究/品質管理等で起こる問題の解決にも御協力致します。 各種計測のご相談にも対応致しますのでお気軽に御相談下さい。 安全対策として耐熱防災作業服・耐熱切創作業服も取り扱っております。 取扱い製品・取扱いメーカーは下の「事業内容」に記載しております。














































