サニタリ演算型差圧伝送器『VSD4シリーズ』
封入液を使用しない安全・安心構造!ダンピング機能やループチェック機能などを標準装備
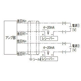
『VSD4シリーズ』は、2つの圧力センサからの出力を演算し差圧を 検出する伝送器です。 封入液を使用しない安全・安心構造で、出力4~20mA(2線式) スケーリング機能を搭載。 また、1出力(差力出力のみ)、2出力(差圧出力+低圧側出力)から 選択できます。 【特長】 ■2つの圧力センサからの出力を演算し差圧を検出 ■出力4~20mA(2線式)スケーリング機能 ■1出力(差力出力のみ)、2出力(差圧出力+低圧側出力)から選択 ■強度の高い受圧面 ※詳しくはPDF資料をご覧いただくか、お気軽にお問い合わせ下さい。
基本情報
【測定概要】 ■測定媒体:各種酒類・乳飲料・調味料・純水・薬液等(センサ材質により異なる) ■測定種類:正圧 ■測定範囲:定格容量50~1000kPa範囲で指定可能 ■出力種類 ・4~20mA( 2線式) 出力スケーリング可変式 ・出力スケーリングは、定格容量の「10~100%」の範囲で変更可能 ※詳しくはPDF資料をご覧いただくか、お気軽にお問い合わせ下さい。
価格帯
納期
用途/実績例
※詳しくはPDF資料をご覧いただくか、お気軽にお問い合わせ下さい。
カタログ(1)
カタログをまとめてダウンロードおすすめ製品
取り扱い会社
温度・温湿度・圧力を主に、計測器の販売/御提案をしております。 製造/研究/品質管理等で起こる問題の解決にも御協力致します。 各種計測のご相談にも対応致しますのでお気軽に御相談下さい。 安全対策として耐熱防災作業服・耐熱切創作業服も取り扱っております。 取扱い製品・取扱いメーカーは下の「事業内容」に記載しております。





















































