【研究開発向け】自動化技術分野に適したリニアステージ V-408
アイロンコア3相リニアモータ搭載、高精度位置決めを実現するリニアステージ
研究開発分野における実験では、精密な位置決めが実験結果の正確性を左右します。特に、微細な動きを制御する必要がある場合、位置決めの精度と安定性が重要になります。精度の低い位置決めは、実験データの信頼性を損ない、研究の遅延につながる可能性があります。PIMag リニアステージ『V-408』は、高精度な位置決め性能を提供し、研究開発における実験の効率化と精度の向上に貢献します。 【活用シーン】 産業および研究分野。 高い動特性と精度が求められるオートメーション技術分野。 【導入の効果】 ・高精度な位置決めによるデータの信頼性向上 ・コンパクト設計による省スペース化 ・高耐荷重対応のクロスローラーガイドで摩擦を減少 詳細な製品仕様についてはカタログからご確認いただけます。ご質問などございましたら、ぜひお問い合わせください。
基本情報
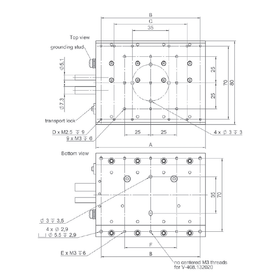
【特長】 ・アイロンコア3相リニアモータ ・高耐荷重のクロスローラガイド ・最小インクリメンタルモーション 20nm ・双方向繰り返し性 ±0.1μm ・コンパクト設計 【当社の強み】 ドイツ本社で50年以上にわたり培ってきた精密制御技術をもとに、世界中の研究機関・装置メーカーに採用されるピエゾステージおよびアクチュエータを提供しています。豊富なラインアップと技術力で、お客様のニーズに最適なソリューションをご提案します。
価格帯
納期
型番・ブランド名
リニアステージ V-408
用途/実績例
【応用分野】 ■産業および研究用途 ダイナミクスと精度に対する要求の高いオートメーション技術 ※詳しくはPDF資料をご覧いただくか、お気軽にお問い合わせ下さい。
カタログ(5)
カタログをまとめてダウンロードおすすめ製品
取り扱い会社
ドイツ本社は50年以上、日本法人として30年の精密位置決め製品のPI社が新たなソリューションをご提案 世界シェアNo.1のピエゾステージ&アクチュエータやヘキサポッドなどの位置決め製品をご提供。 さらに、リニアモータ駆動製品と高精度エアベアリングステージのラインアップを充実させています。 位置決めにおいて、土台にも注意が必要で、弊社ではグラナイト定盤もご提供し、複合システムもご提案可能です。 世界中の生産現場や先端機器、様々な分野の最先端研究に総合的なソリューションを提供しています。是非ご覧下さい。
























